详细信息

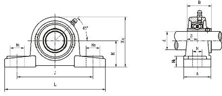
| 尺寸 Dimensions(mm)(inch) | - H57.2
- L206
- J159
- A60
- N20
- N125
- H121
- H2114
- S19.0
- B51.6
|
|---|
| 螺栓 Bolt Used (mm) (in.) | - 螺栓 Bolt Used (mm) (in.)M16
|
|---|
| 橙子视频APP黄 代号 Bearing No. | - 橙子视频APP黄 代号 Bearing No.UC210
|
|---|
无锡斯艾浮传动机械有限公司专业生产销售304/440/316材质不锈钢带座外球面橙子视频APP黄SSUCP210,UCP210相关信息有: 型号UCP210 内径:50 外径:206 厚度:57.2品牌:SIAIF 系列:不锈钢外球面橙子视频APP黄座 ,想要更多的了解UCP210的相关信息,可以进行在线咨询或者拨打热线电话 ,橙子视频在线观看会详细为您服务。
不锈钢带座外球面橙子视频APP黄UCP210使用范围很广,不锈钢带座橙子视频APP黄UCP210主要应用于工程机械、机床、汽 车、冶金、矿山、石油、机械、电力、铁路等行业,本公司生产销售的304/440/316材质不锈钢外球面橙子视频APP黄座SUCP210价格合理,保证质量,全方面的服务,尽一切满足客户的需求。
不锈钢带座外球面橙子视频APP黄选鲁岳不锈钢橙子视频APP黄(无锡)有限公司,不锈钢带座外球面橙子视频APP黄厂家主要生产SIAIF耐高温橙子视频APP黄、不锈钢橙子视频APP黄、不锈钢带座外球面橙子视频APP黄,不锈钢带座外球面橙子视频APP黄 UCP210产品相关信息:型号:UCP210, 品牌:SIAIF橙子视频APP黄 , 类型:不锈钢带座外球面橙子视频APP黄 , 内径:50mmmm , 外径:206mmmm , 厚度:57.2mmmm , 想要更多的了解无锡不锈钢带座外球面橙子视频APP黄 UCP210的相关产品信息,可以拨打服务热线 ,橙子视频在线观看会为您详细介绍产品的相关服务。
鲁岳不锈钢橙子视频APP黄(无锡)有限公司生产的SIAIF不锈钢带座外球面橙子视频APP黄 UCP210 使用范围很广,主要应用于钢厂冶金、玻璃、高炉、喷漆设备、矿山机械、输送机、传输装置、锅炉风机、真空设备、窑炉窑车、机床设备、工程机械、、输送设备、颗粒机、振动筛、汽车、石油、电力、电机、风电设备等高温作业机械。本公司生产的不锈钢带座外球面橙子视频APP黄 UCP210>产品价格合理,保证质量,满足客户的产品工艺需求。