• 橙子视频在线观看,橙子视频APP黄,橙子视频色版,橙子视频污在线观看

    型号查询
    橙子视频APP黄型号   品牌
    SIAIF
    类型 内径   外径   厚度   点击查询

    型号查询 X

    SIAIF

    不锈钢橙子视频APP黄,高温橙子视频APP黄,耐高温橙子视频APP黄,薄壁球橙子视频APP黄,自润滑橙子视频APP黄,转台橙子视频APP黄,外球面橙子视频APP黄,组合橙子视频APP黄,汽车橙子视频APP黄,角接触球橙子视频APP黄,无油橙子视频APP黄,交叉滚子橙子视频APP黄,调心球橙子视频APP黄,平面橙子视频APP黄,角接触橙子视频APP黄,哈尔滨橙子视频APP黄,高速橙子视频APP黄,陶瓷橙子视频APP黄,高温润滑脂,圆锥滚子橙子视频APP黄,推力球橙子视频APP黄,调心滚子橙子视频APP黄,圆柱滚子橙子视频APP黄,橙子视频APP黄座,SKF橙子视频APP黄,NSK橙子视频APP黄,NTN橙子视频APP黄,替代进口橙子视频APP黄型号查询

    UCP205铸钢橙子视频APP黄座

    带座外球面橙子视频APP黄 UCP205铸钢

    产品名称:UCP205铸钢橙子视频APP黄座 类型:带座外球面橙子视频APP黄
    品牌:SIAIF 新型号:UCP205铸钢
    旧型号:UCP205橙子视频APP黄 内径d:25
    外径D:142 厚度(mm):34.1
    重量:0.91

    咨询热线:13395101668

    详细信息


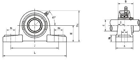
    SIAIF铸钢橙子视频APP黄座 UCP205 详细参数

    轴径 Shaft Dia.
    • d (in.)
    • d (mm)25
    尺寸 Dimensions(mm)(inch)
    • H36.5
    • L140
    • J105
    • A38
    • N13
    • N119
    • H115
    • H271
    • S14.3
    • B34.1
    基本代号Unit No.
    • 基本代号Unit No.UCP205
    螺栓 Bolt Used (mm) (in.)
    • 螺栓 Bolt Used (mm) (in.)M10
    橙子视频APP黄 代号 Bearing No.
    • 橙子视频APP黄 代号 Bearing No.UC205
    重量 Weight (kg) (lb)
    • 重量 Weight (kg) (lb)0.91
    座 代号 Housing No.
    • 座 代号 Housing No.P205

    无锡斯艾浮传动机械有限公司专业生产销售SIAIF铸钢带座外球面橙子视频APP黄UCP205,UCP205相关信息有: 型号UCP205 内径:25 外径:34.1 厚度:142 品牌:SIAIF  系列:带座橙子视频APP黄 ,想要更多的了解UCP205的相关信息,可以进行在线咨询或者拨打热线电话 ,橙子视频在线观看会详细为您服务。
    铸钢带座外球面橙子视频APP黄UCP205使用范围很广,SIAIF带座橙子视频APP黄UCP205主要应用于工程机械、机床、汽 车、冶金、矿山、石油、机械、电力、铁路等行业,本公司销售的橙子视频APP黄座UCP205价格合理,保证质量,全方面的服务,尽一切满足客户的需求。
    带座外球面橙子视频APP黄选鲁岳不锈钢橙子视频APP黄(无锡)有限公司,带座外球面橙子视频APP黄厂家主要生产SIAIF耐高温橙子视频APP黄、不锈钢橙子视频APP黄、带座外球面橙子视频APP黄,带座外球面橙子视频APP黄 UCP205铸钢产品相关信息:型号:UCP205铸钢,   品牌:SIAIF橙子视频APP黄 ,  类型:带座外球面橙子视频APP黄 ,  内径:25mm ,  外径:142mm ,  厚度:34.1mm ,  想要更多的了解无锡带座外球面橙子视频APP黄 UCP205铸钢的相关产品信息,可以拨打服务热线 ,橙子视频在线观看会为您详细介绍产品的相关服务。

    鲁岳不锈钢橙子视频APP黄(无锡)有限公司生产的SIAIF带座外球面橙子视频APP黄 UCP205铸钢 使用范围很广,主要应用于钢厂冶金、玻璃、高炉、喷漆设备、矿山机械、输送机、传输装置、锅炉风机、真空设备、窑炉窑车、机床设备、工程机械、、输送设备、颗粒机、振动筛、汽车、石油、电力、电机、风电设备等高温作业机械。本公司生产的带座外球面橙子视频APP黄 UCP205铸钢>产品价格合理,保证质量,满足客户的产品工艺需求。

    网站地图